• 腾博官网诚信为本

    CKPF1014
    储能
    主要用于扼流
    通用于低、高带通滤波
    产品信息
    测试参数
    阻抗曲线
    插入损耗
    回波损耗
    L频率
    TL RMS
    饱和电流
    Scc21参数
    Ssd21参数
    共模抑制
    漏感频率
    Q值曲线
    产品用途
    1.主要用于家电,工业电器电路中扼流;
    2.音箱,通信设备,DC/DC转换器
    产品参数
    样品申请
    系列
    型号
    PDF
    电感值
    (μH)
    电感/
    阻抗公差
    测试条件
    DCR
    (mΩ)MAX
    温升电流
    TYP(A)
    用途
    状态
    工作温度
    (℃)

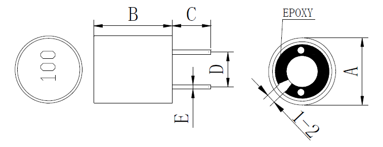
    (mm)

    (mm)

    (mm)
    封装
    屏蔽
    材质
    磁屏蔽电感
    CKPF1014-10uH/M
    10
    ±20
    1KHz/0.25V
    40
    4.5
    消费品
    量产
    -40~125
    12
    12
    15
    DIP
    Y
    铁镍合金
    磁屏蔽电感
    CKPF1014-15uH/M
    15
    ±20
    1KHz/0.25V
    50
    4.3
    消费品
    量产
    -40~125
    12
    12
    15
    DIP
    Y
    铁镍合金
    磁屏蔽电感
    CKPF1014-18uH/M
    18
    ±20
    1KHz/0.25V
    70
    4
    消费品
    量产
    -40~125
    12
    12
    15
    DIP
    Y
    铁镍合金
    磁屏蔽电感
    CKPF1014-22uH/M
    22
    ±20
    1KHz/0.25V
    80
    3.5
    消费品
    量产
    -40~125
    12
    12
    15
    DIP
    Y
    铁镍合金
    磁屏蔽电感
    CKPF1014-27uH/M
    27
    ±20
    1KHz/0.25V
    90
    3.3
    消费品
    量产
    -40~125
    12
    12
    15
    DIP
    Y
    铁镍合金
    磁屏蔽电感
    CKPF1014-33uH/M
    33
    ±20
    1KHz/0.25V
    100
    3
    消费品
    量产
    -40~125
    12
    12
    15
    DIP
    Y
    铁镍合金
    磁屏蔽电感
    CKPF1014-39uH/M
    39
    ±20
    1KHz/0.25V
    120
    2.5
    消费品
    量产
    -40~125
    12
    12
    15
    DIP
    Y
    铁镍合金
    磁屏蔽电感
    CKPF1014-47uH/M
    47
    ±20
    1KHz/0.25V
    150
    2.3
    消费品
    量产
    -40~125
    12
    12
    15
    DIP
    Y
    铁镍合金
    磁屏蔽电感
    CKPF1014-56uH/M
    56
    ±20
    1KHz/0.25V
    180
    2
    消费品
    量产
    -40~125
    12
    12
    15
    DIP
    Y
    铁镍合金
    磁屏蔽电感
    CKPF1014-68uH/M
    68
    ±20
    1KHz/0.25V
    250
    1.8
    消费品
    量产
    -40~125
    12
    12
    15
    DIP
    Y
    铁镍合金
    磁屏蔽电感
    CKPF1014-82uH/M
    82
    ±20
    1KHz/0.25V
    320
    1.6
    消费品
    量产
    -40~125
    12
    12
    15
    DIP
    Y
    铁镍合金
    磁屏蔽电感
    CKPF1014-100uH/M
    100
    ±20
    1KHz/0.25V
    360
    1.5
    消费品
    量产
    -40~125
    12
    12
    15
    DIP
    Y
    铁镍合金
    磁屏蔽电感
    CKPF1014-150uH/M
    150
    ±20
    1KHz/0.25V
    520
    1.4
    消费品
    量产
    -40~125
    12
    12
    15
    DIP
    Y
    铁镍合金
    磁屏蔽电感
    CKPF1014-180uH/M
    180
    ±20
    1KHz/0.25V
    600
    1.3
    消费品
    量产
    -40~125
    12
    12
    15
    DIP
    Y
    铁镍合金
    磁屏蔽电感
    CKPF1014-220uH/M
    220
    ±20
    1KHz/0.25V
    750
    1.2
    消费品
    量产
    -40~125
    12
    12
    15
    DIP
    Y
    铁镍合金
    磁屏蔽电感
    CKPF1014-270uH/M
    270
    ±20
    1KHz/0.25V
    900
    1.1
    消费品
    量产
    -40~125
    12
    12
    15
    DIP
    Y
    铁镍合金
    磁屏蔽电感
    CKPF1014-330uH/M
    330
    ±20
    1KHz/0.25V
    1000
    0.95
    消费品
    量产
    -40~125
    12
    12
    15
    DIP
    Y
    铁镍合金
    磁屏蔽电感
    CKPF1014-390uH/M
    390
    ±20
    1KHz/0.25V
    1300
    0.9
    消费品
    量产
    -40~125
    12
    12
    15
    DIP
    Y
    铁镍合金
    磁屏蔽电感
    CKPF1014-470uH/M
    470
    ±20
    1KHz/0.25V
    1500
    0.8
    消费品
    量产
    -40~125
    12
    12
    15
    DIP
    Y
    铁镍合金
    磁屏蔽电感
    CKPF1014-560uH/M
    560
    ±20
    1KHz/0.25V
    1600
    0.7
    消费品
    量产
    -40~125
    12
    12
    15
    DIP
    Y
    铁镍合金
    磁屏蔽电感
    CKPF1014-680uH/M
    680
    ±20
    1KHz/0.25V
    2000
    0.65
    消费品
    量产
    -40~125
    12
    12
    15
    DIP
    Y
    铁镍合金
    磁屏蔽电感
    CKPF1014-820uH/M
    820
    ±20
    1KHz/0.25V
    2500
    0.6
    消费品
    量产
    -40~125
    12
    12
    15
    DIP
    Y
    铁镍合金
    磁屏蔽电感
    CKPF1014-1mH/M
    1000
    ±20
    1KHz/0.25V
    3000
    0.55
    消费品
    量产
    -40~125
    12
    12
    15
    DIP
    Y
    铁镍合金
    磁屏蔽电感
    CKPF1014-1.2mH/M
    1200
    ±20
    1KHz/0.25V
    3500
    0.5
    消费品
    量产
    -40~125
    12
    12
    15
    DIP
    Y
    铁镍合金
    磁屏蔽电感
    CKPF1014-1.5mH/M
    1500
    ±20
    1KHz/0.25V
    4200
    0.4
    消费品
    量产
    -40~125
    12
    12
    15
    DIP
    Y
    铁镍合金
    磁屏蔽电感
    CKPF1014-1.8mH/M
    1800
    ±20
    1KHz/0.25V
    4800
    0.36
    消费品
    量产
    -40~125
    12
    12
    15
    DIP
    Y
    铁镍合金
    磁屏蔽电感
    CKPF1014-2.2mH/M
    2200
    ±20
    1KHz/0.25V
    6000
    0.32
    消费品
    量产
    -40~125
    12
    12
    15
    DIP
    Y
    铁镍合金
    注释
    所有数据基于环境温度25℃条件下测试。
    电感测试条件为100kHz, 1.0V。
    饱和电流:电感值下降其初始值的30%时所加载的实际直流电流值。
    温升电流:使产品温度上升到ΔT40℃时所加载的实际直流电流值(Ta=393℃)。
    特别提醒:线路设计,组件布局,印刷线路板(PCB)尺寸及厚度,散热系统等均会影响产品温度。
    请务必在最终应用时,验证产品发热状况。
    保存
    产品在包装中的保存条件:温度 5~40°C,相对湿度小于等于 70%。
    如果取出使用,剩余的产品请用胶袋密封按照以上条件保存,避免端子(电极)氧化,影响焊接状态。
    产品储存期不建议超过 12 个月,在其他影响下,端子可能会退化,导致焊接性差。
    请不要将产品保存于高温、高湿、有尘埃、腐蚀性气体的不适合环境中。
    请小心轻放,避免由于产品的跌落或取用不当而引致的损坏。
    手上的油脂会导致可焊性降低,应避免用手直接接触端子。
    相关产品