<rjfvi class="mnmuxh"></rjfvi>

腾博官网诚信为本

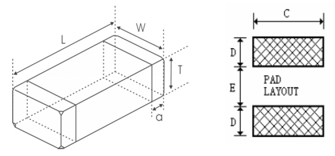
CKGB0402
EMC
可广泛应用于抑制电磁干扰的频率范围。
优良的可焊性。
可采用表面安装设备进行安装。
产品信息
测试参数
阻抗曲线
插入损耗
回波损耗
L频率
TL RMS
饱和电流
Scc21参数
Ssd21参数
共模抑制
漏感频率
Q值曲线
产品用途
用于计算机及其周边设备、录像机、办公自动化设备等数字设备的噪声抑制。
产品参数
样品申请
系列
型号
PDF
电感值
(μH)
共模阻抗
(Ω)
阻抗
(mΩ)
电感/
阻抗公差
测试条件
DCR
(mΩ)MAX
饱和电流
TYP(A)
用途
状态
工作温度
(℃)

(mm)

(mm)

(mm)
封装
屏蔽
材质
叠层铁氧体磁珠
CKGB0402-60Ω/1A
-
-
60
±25
100MHz
100
1
消费品
量产
-40~85
1
0.5
0.5
SDM
Y
铁镍合金
叠层铁氧体磁珠
CKGB0402-0Ω/300mA
-
-
---
0~15Ω
100MHz
100
0.3
消费品
量产
-40~85
1
0.5
0.5
SDM
Y
铁镍合金
叠层铁氧体磁珠
CKGB0402-220Ω/100mA
-
-
220
±25
100MHz
700
0.1
消费品
量产
-40~85
1
0.5
0.5
SDM
Y
铁镍合金
叠层铁氧体磁珠
CKGB0402-30Ω/1.3A
-
-
30
±25
100MHz
80
1.3
消费品
量产
-40~85
1
0.5
0.5
SDM
Y
铁镍合金
叠层铁氧体磁珠
CKGB0402-1200Ω
-
-
1200
±25
100MHz
1800
0.025
消费品
量产
-40~85
1
0.5
0.5
SDM
Y
铁镍合金
叠层铁氧体磁珠
CKGB0402-600Ω/200mA
-
-
600
±25
100MHz
700
0.2
消费品
量产
-40~85
1
0.5
0.5
SDM
Y
铁镍合金
叠层铁氧体磁珠
CKGB0402-10Ω/1.8A
-
-
10
7~15Ω
100MHz
50
1.8
消费品
量产
-40~85
1
0.5
0.5
SDM
Y
铁镍合金
叠层铁氧体磁珠
CKGB0402-300Ω/600mA
-
-
300
±25
100MHz
300
0.6
消费品
量产
-40~85
1
0.5
0.5
SDM
Y
铁镍合金
叠层铁氧体磁珠
CKGB0402-150Ω/700mA
-
-
150
±25
100MHz
200
0.7
消费品
量产
-40~85
1
0.5
0.5
SDM
Y
铁镍合金
叠层铁氧体磁珠
CKGB0402-30Ω/300mA
-
-
30
±25
100MHz
200
0.3
消费品
量产
-40~85
1
0.5
0.5
SDM
Y
铁镍合金
叠层铁氧体磁珠
CKGB0402-1000Ω/300mA
-
-
1000
±25
100MHz
650
0.3
消费品
量产
-40~85
1
0.5
0.5
SDM
Y
铁镍合金
叠层铁氧体磁珠
CKGB0402-1000Ω
-
-
1000
±25
100MHz
1600
0.025
消费品
量产
-40~85
1
0.5
0.5
SDM
Y
铁镍合金
叠层铁氧体磁珠
CKGB0402-120Ω/150mA
-
-
120
±25
100MHz
500
0.15
消费品
量产
-40~85
1
0.5
0.5
SDM
Y
铁镍合金
叠层铁氧体磁珠
CKGB0402-80Ω/200mA
-
-
80
±25
100MHz
400
0.2
消费品
量产
-40~85
1
0.5
0.5
SDM
Y
铁镍合金
叠层铁氧体磁珠
CKGB0402-150Ω/450mA
-
-
150
±25
100MHz
250
0.45
消费品
量产
-40~85
1
0.5
0.5
SDM
Y
铁镍合金
叠层铁氧体磁珠
CKGB0402-120Ω/800mA
-
-
120
±25
100MHz
150
0.8
消费品
量产
-40~85
1
0.5
0.5
SDM
Y
铁镍合金
叠层铁氧体磁珠
CKGB0402-0Ω/800mA
-
-
---
0~15Ω
100MHz
40
0.8
消费品
量产
-40~85
1
0.5
0.5
SDM
Y
铁镍合金
叠层铁氧体磁珠
CKGB0402-60Ω/200mA
-
-
60
±25
100MHz
350
0.2
消费品
量产
-40~85
1
0.5
0.5
SDM
Y
铁镍合金
叠层铁氧体磁珠
CKGB0402-220Ω/300mA
-
-
220
±25
100MHz
400
0.3
消费品
量产
-40~85
1
0.5
0.5
SDM
Y
铁镍合金
叠层铁氧体磁珠
CKGB0402-10Ω/800mA
-
-
10
7~15Ω
100MHz
40
0.8
消费品
量产
-40~85
1
0.5
0.5
SDM
Y
铁镍合金
叠层铁氧体磁珠
CKGB0402-220Ω/700mA
-
-
220
±25
100MHz
250
0.7
消费品
量产
-40~85
1
0.5
0.5
SDM
Y
铁镍合金
叠层铁氧体磁珠
CKGB0402-300Ω/100mA
-
-
300
±25
100MHz
800
0.1
消费品
量产
-40~85
1
0.5
0.5
SDM
Y
铁镍合金
叠层铁氧体磁珠
CKGB0402-10Ω/300mA
-
-
10
7~15Ω
100MHz
100
0.3
消费品
量产
-40~85
1
0.5
0.5
SDM
Y
铁镍合金
叠层铁氧体磁珠
CKGB0402-300Ω/300mA
-
-
300
±25
100MHz
500
0.3
消费品
量产
-40~85
1
0.5
0.5
SDM
Y
铁镍合金
叠层铁氧体磁珠
CKGB0402-0Ω/1.8A
-
-
---
0~15Ω
100MHz
50
1.8
消费品
量产
-40~85
1
0.5
0.5
SDM
Y
铁镍合金
叠层铁氧体磁珠
CKGB0402-80Ω/450mA
-
-
80
±25
100MHz
200
0.45
消费品
量产
-40~85
1
0.5
0.5
SDM
Y
铁镍合金
叠层铁氧体磁珠
CKGB0402-30Ω/700mA
-
-
30
±25
100MHz
80
0.7
消费品
量产
-40~85
1
0.5
0.5
SDM
Y
铁镍合金
叠层铁氧体磁珠
CKGB0402-600Ω/100mA
-
-
600
±25
100MHz
1300
0.1
消费品
量产
-40~85
1
0.5
0.5
SDM
Y
铁镍合金
叠层铁氧体磁珠
CKGB0402-60Ω/600mA
-
-
60
±25
100MHz
150
0.6
消费品
量产
-40~85
1
0.5
0.5
SDM
Y
铁镍合金
叠层铁氧体磁珠
CKGB0402-120Ω/450mA
-
-
120
±25
100MHz
250
0.45
消费品
量产
-40~85
1
0.5
0.5
SDM
Y
铁镍合金
叠层铁氧体磁珠
CKGB0402-150Ω/150mA
-
-
150
±25
100MHz
550
0.15
消费品
量产
-40~85
1
0.5
0.5
SDM
Y
铁镍合金
叠层铁氧体磁珠
CKGB0402-1000Ω/200mA
-
-
1000
±25
100MHz
1000
0.2
消费品
量产
-40~85
1
0.5
0.5
SDM
Y
铁镍合金
叠层铁氧体磁珠
CKGB0402-600Ω/300mA
-
-
600
±25
100MHz
520
0.3
消费品
量产
-40~85
1
0.5
0.5
SDM
Y
铁镍合金
叠层铁氧体磁珠
CKGB0402-1800Ω/100mA
-
-
1800
±25
100MHz
1400
0.1
消费品
量产
-40~85
1
0.5
0.5
SDM
Y
铁镍合金
注释
所有数据基于环境温度25℃条件下测试。
电感测试条件为100kHz, 1.0V。
饱和电流:电感值下降其初始值的30%时所加载的实际直流电流值。
温升电流:使产品温度上升到ΔT40℃时所加载的实际直流电流值(Ta=393℃)。
特别提醒:线路设计,组件布局,印刷线路板(PCB)尺寸及厚度,散热系统等均会影响产品温度。
请务必在最终应用时,验证产品发热状况。
保存
产品在包装中的保存条件: 温度 5~40°C,相对湿度小于等于 70%。
如果取出使用,剩余的产品请用胶袋密封按照以上条件保存,避免端子(电极)氧化,影响焊接状态。
产品储存期不建议超过 12 个月,在其他影响下,端子可能会退化,导致焊接性差。
请不要将产品保存于高温、高湿、有尘埃、腐蚀性气体的不适合环境中。
请小心轻放,避免由于产品的跌落或取用不当而引致的损坏。
手上的油脂会导致可焊性降低,应避免用手直接接触端子。
相关产品